一、產品介紹
KYN61 -40.5(Z)型鎧裝移開式交流金屬封閉開關設備(以下簡稱“開關設備”)它適用于三相交流50Hz電力系統,用于發電廠、變電所及工礦企業的配電室接受和分配電能之用,并對電路實行控制、保護及監測。
本產品符合標準:GB3906《3~35kV交流金屬封閉開關設備》,GB/T11022《高壓開關設備和控制設備標準共用技術要求》、IEC60298《額定電壓1kV以上及50kV以下交流金屬封閉開關設備和控制設備》。
二、型號及含義

三、工作條件
1.周圍空氣溫度:最高溫度+40°C。最低溫度-10°C;
2.海拔高度:≤1000m:
3.周圍相對濕氣:日平均值≤95%,月平均值≤90%;
4.周圍空氣:不適用于有腐蝕、嚴重污穢,可燃性氣體及劇烈振動的場所:
5.若有地震發生,地震強度不能超過8級。
適應場所
城市居民超高壓線路、大型二次變電站、開閉所、工礦企業、商場、機場、地鐵、風力發電、醫院、體育場、鐵路、隧道等。
主要特點
KYN61-40.5開關設備使用在40.5KV三相交流50HZ電力系統中,全為發電廠、變電所及工礦企業的配電室接受與分配電能之用;對電路具有控制、保護和監測等功能。
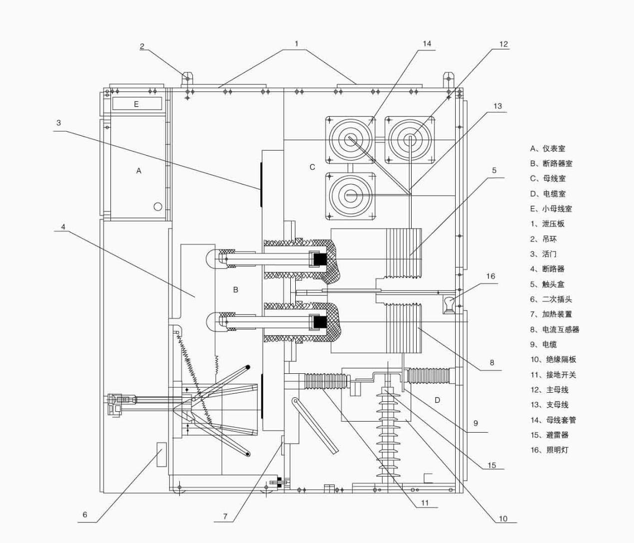
四、結構特點
開關柜結構GB3906-2006和IEC298中鎧裝金屬封閉開關設備標準而設計,整體由柜體和可抽出部分(手車)兩部分級組成。柜體結構為組裝式,用螺栓栓接組合成型,用金屬隔板將開關柜體內部分隔為斷路器室、主母線室、電纜室和繼電器儀表室。外殼防護等級達到IP3X,各隔室間防護等級為IP2X,并且所有金屬結構件可靠接地,主回路系統的隔室間有獨立排氣的壓力釋放通道。
手車根據用途可分為斷路器手車、電壓互感器手車、計量手車、隔離手車等,各類手車的外形尺寸相同,相同用途的手車具有良好的互換性:手車在柜內有試驗/隔離位置和工作位置,每處位置都設有聯鎖裝置以保證手車處于以上兩位置時不能隨便移動。
技術參數
主要技術參數

斷路器技術參數

圖例展示

主電路方案圖

五、安裝須知
提供操作說明書,操作手柄,元器件說明書;操作視頻等。
柜體結構:抽出式鎧裝移開式交流金屬封閉開關設備
材質:斷路器室、主母線室、電纜室和繼電器儀表室采用進口敷鋁鋅板;門板采用2mm冷軋板材質。
防護等級:IP4X;
包裝:PVC發泡紙/PEE環保包裝紙皮/木箱包裝
裝卸工具:叉車、吊車;
運輸及裝卸:產品在運輸和裝卸時不準倒置和翻轉、不得撞擊不準強烈震動;
安裝說明:產品現場安裝時,應注意柜體表面油漆的保護,產品外部、柜門內、絕緣套管表面的塵埃、污物清除干凈;產品銘牌數據、產品合格證書是否與訂單相符,并根據裝箱單檢查文件、備件是否遺漏;
六、外形尺寸圖

七、設備結構圖

八、訂貨須知
訂貨時須提供以下技術資料:
1主電路方案號、用途和主電路方案、配電室平面布置圖及排列配置圖等;
2開關設備控制、測量及保護功能的要求以及其他封閉和自動裝置的要求;
3開關設備電器元件的型號、規格、數量;
4如開關設備之間或進線柜需要母線橋連接,應提供母線橋的額定載流量,母線橋的跨度,距地高度等具體要求數據;
5開關設備使用在特殊環境條件時,應在訂貨時詳細說明;
6其它特殊要求同本公司協商。
報價及訂貨時應提供下列資料:主回路系統方案圖;輔助電路電氣原理圖,排列圖、平面布置圖;柜體顏色;所需備品備件清單,其它特殊使用條件及要求的書面資料。
是否定制:來圖定制產品,無現貨。
出廠資料:制造廠提貨時應提供下列文件及附件:
1、發貨清單;
2、產品合格證及出廠試驗報告;
3、使用說明書;
4、有關電器圖紙、主要元器件說明書;柜門鑰匙、操作手柄及合同單規定的備品備件。















